Уважаемый клиент! Цены на сайте в процессе обновления. Уточняйте актуальную цену у менеджера в магазине.
Волжский
Оригинальные запчасти
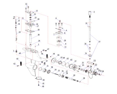
№ | Артикул | НАИМЕНОВАНИЕ | Кол-во деталей в узле | Примечание | Наличие | Цена | Аналоги | Фото | |
1 | 15F (S)-06.00.00.00 |
Редуктор в сборе
Под заказ |
N/A |
Под заказ |
Купить | ||||
2 | 15F-06.01.08-L |
Вал привода L
Под заказ |
N/A |
Под заказ |
Купить | ||||
3 | 15F-7.8.9.11.59 |
Ремкомплект помпы
Под заказ |
N/A |
Под заказ |
Купить | ||||
4 | 15F (L)-06.00.00.00 |
Редуктор в сборе
Под заказ |
N/A |
Под заказ |
Купить | ||||
5 | 15F-06.04.00-L |
Тяга включения передачи (L)
Под заказ |
N/A |
Под заказ |
Купить | ||||
6 | GB9074.1 (8.8) |
Болт
Под заказ |
N/A |
Под заказ |
Купить | ||||
7 | 15F-00.04 |
Нейлоновая шайба
Под заказ |
N/A |
Под заказ |
Купить | ||||
8 | 15F-06.02.07 |
Прижимная пластина корпуса помпы, 15F-06.02.07; 4; 63V-44328-01-00
В наличии |
N/A |
В наличии |
470 ₽ 620 ₽ |
Купить | |||
9 | 15F-01.05.13 |
Gear shift 01090116
Под заказ |
N/A |
Под заказ |
920 ₽ |
Купить | |||
10 | 15F-06.02.01 |
Корпус помпы + гильза помпы(YMM Тайвань), 15F-06.02.01; 7; 63V-44301-00-00
Под заказ |
N/A |
Под заказ |
3 590 ₽ |
Купить | |||
11 | 15F-06.02.06 |
Прокладка трубки охлаждения, 15F-06.02.06; 8; 68T-44366-00-00
В наличии |
N/A |
В наличии |
200 ₽ 280 ₽ |
Купить | |||
12 | 15F-06.02.04 |
Крыльчатка Водяного Насоса Yamaha/ Hidea/mikatsu/seanovo/marlin и т.д 63V-44352-01
В наличии |
N/A |
В наличии |
1 610 ₽ 1 830 ₽ |
показать аналоги | Купить | ||
13 | 15F-06.01.09 |
Шпонка 15F-06.01.09
Под заказ |
N/A |
Под заказ |
980 ₽ |
Купить | |||
14 | 15F-06.02.02 |
Кольцо резиновое корпуса водяной помпы, 15F-06.02.02; 11; 93210-44398-00
Под заказ |
N/A |
Под заказ |
320 ₽ |
показать аналоги | Купить | ||
15 | 15F-06.03.01 |
Прижимная пластина сидения помпы, 15F-06.03.01; 13; 63V-44323-00-00
В наличии |
N/A |
В наличии |
1 790 ₽ 2 300 ₽ |
Купить | |||
16 | 15F-06.04.05 |
Гайка
Под заказ |
N/A |
Под заказ |
580 ₽ |
Купить | |||
17 | GB6170 |
Гайка
Под заказ |
N/A |
Под заказ |
Купить | ||||
18 | 15F-06.03.02 |
Сидение помпы, 15F-06.03.02; 17; 63V-45331-00-5B
Под заказ |
N/A |
Под заказ |
6 440 ₽ |
Купить | |||
19 | 15F-06.03.07 |
Прокладка сидения помпы 15F-06.03.07
В наличии |
N/A |
В наличии |
500 ₽ 640 ₽ |
показать аналоги | Купить | ||
20 | 15F-06.04.00-S |
Тяга переключения передач, 15F-06.04.00-S; 19; 63V-44150-00
В наличии |
N/A |
В наличии |
750 ₽ 1 120 ₽ |
Купить | |||
21 | GB91 |
Штифт шплинта 2.5 * 25
Под заказ |
N/A |
Под заказ |
Купить | ||||
22 | GB96 |
Шайба
Под заказ |
N/A |
Под заказ |
Купить | ||||
23 | 15F-06.14.01-? |
Гребной винт
Под заказ |
N/A |
Под заказ |
Купить | ||||
24 | 15F-06.13 |
Втулка
Под заказ |
N/A |
Под заказ |
1 990 ₽ |
Купить | |||
25 | 15F-06.14.02 |
Раструб
Под заказ |
N/A |
Под заказ |
Купить | ||||
26 | 15F-06.12.06 |
Обойма гребного вала для Yamaha_Hidea_ Marlin_ Parsun_Sea-Pro; 9.9-15, F8-9.9
В наличии |
N/A |
В наличии |
3 700 ₽ 4 500 ₽ |
Купить | |||
27 | 15F-06.11 |
Шайба, 15F-06.11; 28; 90201-17682-00
В наличии |
N/A |
В наличии |
20 ₽ 80 ₽ |
Купить | |||
28 | 15F-06.10.01 |
Гребной вал
Под заказ |
N/A |
Под заказ |
7 860 ₽ |
Купить | |||
29 | 15F-06.09 |
Шестерня переднего хода(YMM Тайвань), 15F-06.09; 30; 6E7-45560-01-00
Под заказ |
N/A |
Под заказ |
6 620 ₽ |
Купить | |||
30 | 15F-06.07 |
Подшипник шестерни переднего хода, 15F-06.07; 31; 93332-00005-00
Под заказ |
N/A |
Под заказ |
4 050 ₽ |
Купить | |||
31 | 15F-06.08-0.1 |
Шим шайба
Под заказ |
N/A |
Под заказ |
280 ₽ |
Купить | |||
32 | 15F-06.14.03 |
Втулка гребного винта
Под заказ |
N/A |
Под заказ |
Купить | ||||
33 | 15F-06.01.10 |
Шестерня приводная(YMM Тайвань), 15F-06.01.10; 34; 63V-45551-00-00
В наличии |
N/A |
В наличии |
2 880 ₽ 3 100 ₽ |
Купить | |||
34 | 15F-01.05.14 |
Circlip(M)
Под заказ |
N/A |
Под заказ |
270 ₽ |
Купить | |||
35 | 15F-06.01.13 |
Подшипник упорный вертикального (YMM Тайвань), 15F-06.01.13; 36; 93341-41414-00
В наличии |
N/A |
В наличии |
3 010 ₽ 3 350 ₽ |
Купить | |||
36 | 15F-06.01.08-S |
Приводной вал(YMM Тайвань) 63V-45510-01-00
Под заказ |
N/A |
Под заказ |
18 370 ₽ |
Купить | |||
37 | 15F-06.01.07 |
Втулка нейлон 15F-06.01.07
Под заказ |
N/A |
Под заказ |
2 140 ₽ |
Купить | |||
38 | 15F-06.01.14 |
Игольчатый подшипник приводного вала(YMM Тайвань), 15F-06.01.14; 39; 93315-314V8-00
В наличии |
N/A |
В наличии |
1 410 ₽ 2 200 ₽ |
Купить | |||
39 | GB5789 (10.9) |
Сальник (верхний)
Под заказ |
N/A |
Под заказ |
Купить | ||||
40 | GB861 |
Шайба
Под заказ |
N/A |
Под заказ |
Купить | ||||
41 | 15F-06.15 |
Анод на 2Т двиг .61N-45251-01-00
Под заказ |
N/A |
Под заказ |
3 340 ₽ |
Купить | |||
42 | GB820 |
Крестообразный винт с потайной головкой
Под заказ |
N/A |
Под заказ |
Купить | ||||
43 | DIN985 |
Гайка
Под заказ |
N/A |
Под заказ |
Купить | ||||
44 | 15F-06.01.05 |
Крышка для впуска воды
Под заказ |
N/A |
Под заказ |
330 ₽ |
Купить | |||
45 | 15F-06.01.06 |
Крышка
Под заказ |
N/A |
Под заказ |
430 ₽ |
Купить | |||
46 | 15F-06.01.03 |
Колпачек
Под заказ |
N/A |
Под заказ |
320 ₽ |
Купить | |||
47 | 15F-06.01.04 |
Прокладка сливного винта, 15F-06.01.04; 48; 90430-08800-00
Под заказ |
N/A |
Под заказ |
240 ₽ |
Купить | |||
48 | 15F-06.01.02 |
Корпус редуктора
Под заказ |
N/A |
Под заказ |
21 850 ₽ |
Купить | |||
49 | 15F-06.03.04 |
Уплотнительная лента
Под заказ |
N/A |
Под заказ |
380 ₽ |
Купить | |||
50 | 15F-06.03.03 |
Сальник моторы с завода HIDEA 6-9.8 15F-06.03.03
Под заказ |
N/A |
Под заказ |
Купить | ||||
51 | 15F-06.03.06 |
Подшипник 15F-06.03.06
Под заказ |
N/A |
Под заказ |
2 100 ₽ |
Купить | |||
52 | 15F-06.03.05 |
Сальник приводного вала 20x30x6 15F-06.03.05
Под заказ |
N/A |
Под заказ |
760 ₽ |
Купить | |||
53 | 15F-06.10.06 (S) |
Плунжер
Под заказ |
N/A |
Под заказ |
Купить | ||||
54 | 15F-06.10.05 |
Пружина толкателя переключения передач 15F-06.10.05
Под заказ |
N/A |
Под заказ |
450 ₽ |
Купить | |||
55 | 15F-06.10.04 |
Стопор (Circlip)648-45633-00-00
В наличии |
N/A |
В наличии |
370 ₽ 530 ₽ |
показать аналоги | Купить | ||
56 | 15F-06.10.03 |
Штифт 15F-06.10.03
В наличии |
N/A |
В наличии |
510 ₽ 570 ₽ |
Купить | |||
57 | 15F-06.10.02 |
Собака сцепления(YMM Тайвань) 15F-06.10.02 682-45631-00-00
В наличии |
N/A |
В наличии |
3 750 ₽ 5 360 ₽ |
Купить | |||
58 | 15F-06.02.03 |
Гильза помпы(стакан помпы), 15F. 63V-44322-00-00 Yamaha/ Hidea/mikatsu/seanovo/marlin
В наличии |
N/A |
В наличии |
2 000 ₽ 3 080 ₽ |
Купить | |||
59 | 15F-06.12.08 |
Сальник гребного вала(YMM Тайвань), 15F-06.12.08; 60; 93101-17054-00
Под заказ |
N/A |
Под заказ |
530 ₽ |
Купить | |||
60 | 15F-06.12.07 |
Игольчатый подшипник гребного вала(YMM Тайвань), 15F-06.12.07; 61; 93315-317U2-00
Под заказ |
N/A |
Под заказ |
2 080 ₽ |
показать аналоги | Купить | ||
61 | 15F-06.12.04 |
Резиновое кольцо, 15F-06.12.04; 62; 93210-57M09-00
Под заказ |
N/A |
Под заказ |
750 ₽ |
показать аналоги | Купить | ||
62 | 15F-06.12.05 |
Резиновое кольцо Yamaha/Hidea 9.9-15 (YMM Тайвань)
Под заказ |
N/A |
Под заказ |
520 ₽ |
Купить | |||
63 | 15F-06.12.03 |
Подшипник шестерни заднего хода
Под заказ |
N/A |
Под заказ |
2 520 ₽ |
Купить | |||
64 | 15F-06.12.02-0.1 |
Шим шайба
Под заказ |
N/A |
Под заказ |
300 ₽ |
Купить | |||
65 | 15F-06.12.01 |
Шестерня заднего хода(YMM Тайвань), 15F-06.12.01; 66; 6E7-45571-00-00
Под заказ |
N/A |
Под заказ |
4 040 ₽ |
Купить |
Нулевая цена не означает отсутствие товара. Оформите заказ, и менеджер сообщит вам цену и наличие товара, предварительно запросив их у поставщика